Recently, INVT reached a deep cooperation with a certain chemical fiber enterprise in Henan. Leveraging its outstanding technical strength and innovative capability, INVT successfully applied the GD5000 series medium-voltage VFD with one drive five undisturbed switching technology, helping the chemical fiber enterprise solve numerous production problems and achieve the dual goals of energy saving, efficiency improvement, and enhanced competitiveness.
1. Background
A chemical fiber company in Henan has been facing problems caused by power frequency starting during the production process. The factory relies on solar power generation, and the surplus capacity of the grid is already insufficient. At the moment of power frequency power starting, the motor's starting current can usually reach 5 to 8 times its rated current. This huge current surge not only seriously affects the normal operation of other equipment connected to the same grid but also frequently triggers trips and other faults, leading to production interruptions and a significant drop in efficiency. At the same time, the starting torque during starting is difficult to control precisely. Excessive starting torque often causes impact damage to load equipment, increasing maintenance costs and replacement frequency, further squeezing the company's profit margin.
2. INVT Solution
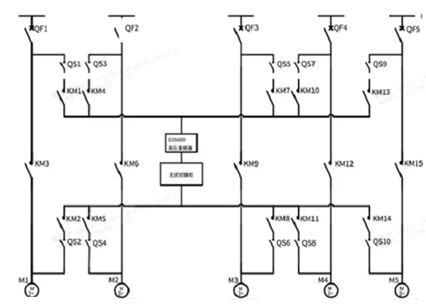
The VFD is not only used for soft starts. Based on the rated parameters of the on-site load and actual operating conditions, the vacuum contactors within the five switch cabinets must be electrically interlocked to ensure that only one contactor can be on at any time during system operation. This guarantees that only one motor operates under variable frequency, thereby ensuring system safety. Additionally, the frequency conversion equipment must be equipped with a pre-charging circuit and must accelerate from zero speed to full frequency within 20 seconds.

In response to these customer requirements, the INVT team swiftly developed and finalized a GD5000 series medium-voltage VFD solution featuring one-to-five drive configuration with undisturbed switching.
This solution, through ingenious circuit design and advanced control algorithms, enables a medium-voltage inverter to simultaneously drive five motors and achieve non-disturbance switching between variable frequency and power frequency.

3. Customer Beneifts
3.1 Cost reduction
In the past, multi-motor drives required a separate VFD for each motor, which was costly. However, the one-to-five undisturbed switching technology allows five motors to share a single VFD, significantly reducing equipment procurement costs. At the same time, the human and material resources needed for maintaining multiple VFDs are greatly reduced, saving a considerable amount of money for enterprises
3.2 Significant Energy Savings
The precise inverter speed control can adjust the motor speed in real-time according to the actual load, avoiding energy waste caused by running at a constant frequency. Verified by actual projects, the energy can be reduced by 20%-40%, helping enterprises achieve green and sustainable development.
3.3 Extended service life
The undisturbed switching technology ensures that the motor experiences minimal current impact during the switch between variable frequency and power frequency, almost without affecting the motor's normal operation. This effectively reduces the risk of equipment failure, extends the service life of the motor and related equipment, and decreases the frequency of equipment replacement and maintenance.
3.4 Quick Switch
In practical applications, the Invt GD5000 series medium-voltage VFD has outstanding performance. From zero to completing the switch and transitioning to power frequency operation, the process is swiftly accomplished in just 55 seconds. This not only smoothly reduces mechanical impact but also successfully resolves a series of customer’concerns.

▲ Waveform of undisturbed switching ▲
Through this collaboration, the Invt GD5000 series medium-voltage VFD have emerged as a key role for a Henan-based chemical fiber enterprise to achieve energy savings, enhance operational efficiency, and strengthen competitiveness. INVT will continue to innovate, driving the green energy-saving solutions to jointly pioneer a new chapter in industrial development.

Our site uses cookies to provide you with a better onsite experience. By continuing to browse the site you are agreeing to our use of cookies in accordance with our Cookie Policy.